Opis proizvoda

Grupa proizvoda: PL 6
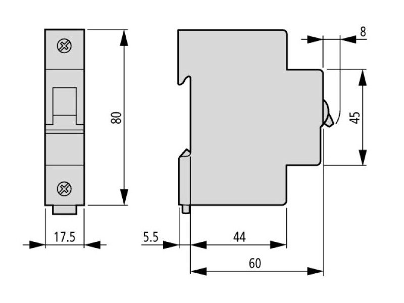
Broj polova: 1P
Broj zašticenih polova: 1
Nazivna struja In: 63A
Tip mreže: AC, DC
Tehnologija zaštitne jedinice: Termomagnetna
Karakteristika okidanja: B
Standard IEC/EN 60898-1

Ekonomicna serija pogodna za ugradnju u kucne instalacije.
Zaštitne karakteristike B, C, D.
Nazivna prekidna moc 6 kA.
Indikacija stanja iskljuceno - ukljuceno (crveno - zeleno).
Mogucnost montaže dodatne opreme.


AUTOMATSKI OSIGURAČ EATON 1P PL6 B 63A 286527

1.486,00 RSD (Sa PDV-om)

Šifra artikla: 203008 Dostava artikla: Besplatna

Specifikacije

Brend:
Eaton
Broj polova:
1P
Karakteristika okidanja:
B
Nominalna struja:
63